Perfiladora de correas en Z, Z120-300
La perfiladora de correas en Z es un tipo de equipo de perfilado continuo diseñado para producir correas en Z de varios tamaños de acuerdo con requisitos específicos. Tanto el ancho de la banda como la altura de la brida se pueden ajustar de forma manual o automática. Con automatización completa, la máquina permite cambiar de tamaño entre 120mm y 300mm en solo un minuto a través del control PLC.
Las correas en Z juegan un papel crucial en el soporte de materiales de techado como estructuras de acero al distribuir el peso del techo al marco estructural principal del edificio. Por lo general, se usan junto con otros componentes de la construcción, como techos y paredes, las correas Z proporcionan un marco estable para conectar de forma segura estos materiales.
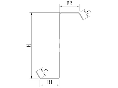
| Correa en Z | ||||
| Modelo | Tamaño de la sección | |||
| H | B1 | B2 | C | |
| Z120 | 120mm | 55 mm | 50 mm | 16 mm |
| Z140 | 140 mm | 55 mm | 50 mm | 16 mm |
| Z160 | 160 mm | 67 mm | 61 mm | 16 mm |
| Z180 | 180 mm | 67 mm | 61 mm | 18 mm |
| Z200 | 200 mm | 67 mm | 61 mm | 18 mm |
| Z220 | 220 mm | 78 mm | 72 mm | 18 mm |
| Z250 | 250 mm | 78 mm | 72 mm | 20 mm |
| Z280 | 280 mm | 78 mm | 72 mm | 20 mm |
| Z300 | 300 mm | 78 mm | 72 mm | 20 mm |
Las correas en Z están disponibles en varios tamaños para adaptarse a los diferentes requisitos estructurales de los edificios y cumplir con las especificaciones proporcionadas por los fabricantes. Estas variaciones de tamaño están diseñadas para adaptarse a las diferentes necesidades de carga, diseños arquitectónicos y regulaciones de construcción locales.
Especificaciones| Item | Perfiladora de correas en Z |
| Dimensión | 8500*1600*1500mm |
| Peso | 7500kg |
| Potencia del motor | 30kW |
| Potencia de la bomba de aceite | 5.5kW |
| Voltaje | 380V/trifásico /60Hz |
| Pasos de formación | 19 |
| Velocidad de formación | 8-25m/min |
| Espesor de formación | 1.2-3.0mm (GI) |
| Ancho efectivo | 120-300mm |
| Altura efectiva | 45-100mm |
| Ancho del borde | 10-20mm |
-
-
Sistema hidráulico de prepunzonado y precorte
La longitud de corte, el corte de piezas y el punzonado están controlados por el controlador PLC
Contáctenos
Xinhonghua es una empresa que está enfocada en la ingeniería, diseño y fabricación de perfiladoras o máquina de perfilado, además de ser un proveedor de soluciones totales de tecnología de estructura de acero para cumplir con los diversos requerimientos de los clientes, tanto doméstico como internacional. Xinhonghua se estableció en el año 2004, así que desde su inicio ha desarrollado una línea duradera de perfiladoras o máquina de perfilado, además se ha ganado gran reputación de alta calidad y confiabilidad en todo el mundo debido a las excelentes características de cada una de nuestras máquinas.
En Xinhonghua trabajamos cada proyecto con gran caracter y responsabilidad, sin importar el tamaño del mismo, por lo que ya sea que esté comenzando un nuevo negocio de techos metálicos, quizá expandiendo la producción o buscando marcos o estructuras de acero...

